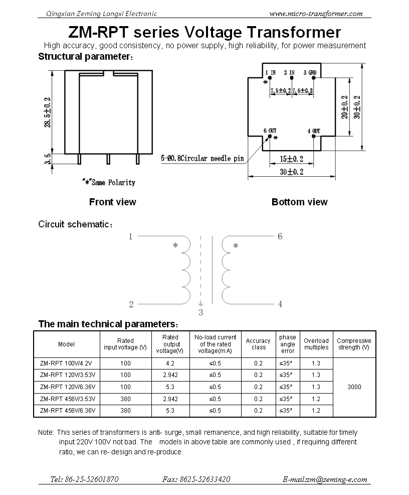
ZM-RPT series Voltage TransformerFeatures: High accuracy, good consistency, no power supply, high reliability, for power measurementStructural parameter: Front view Bottom view Circuit schematic: The main technical parameters:Mod......


| Model | Rated input voltage (V) | Rated output voltage(V) | No-load current of the rated voltage(m A) | Accuracy class | phase angle error | Overload multiples | Compressive strength (V) |
| ZM-RPT 100V/4.2V | 100 | 4.2 | ≤0.5 | 0.2 | ≤35' | 1.3 | 3000 |
| ZM-RPT 120V/3.53V | 100 | 2.942 | ≤0.5 | 0.2 | ≤35' | 1.3 | |
| ZM-RPT 120V/6.36V | 100 | 5.3 | ≤0.5 | 0.2 | ≤35' | 1.3 | |
| ZM-RPT 456V/3.53V | 380 | 2.942 | ≤0.5 | 0.2 | ≤35' | 1.2 | |
| ZM-RPT 456V/6.36V | 380 | 5.3 | ≤0.5 | 0.2 | ≤35' | 1.2 |